Методы анализа переходных процессов в линейных электрических цепях. Разделы курсовой. Курсовая работа на тему Расчет переходных процессов в электрических цепях (курсовая. Расчет переходных процессов в электрических цепях. Скачать реферат / курсовую на тему.
- Переходные Процессы В Электрических Цепях Реферат
- Переходные Процессы В Линейных Электрических Цепях Курсовая

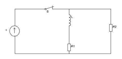
Читать ONLINE Расчет переходных процессов в электрических цепях Министерство образования и науки РФ Государственное образовательное учреждение высшего профессионального образования «Рязанский государственный радиотехнический университет» Кафедра промышленной электроники Курсовой проект. Дисциплина: Теоретические основы электротехники Тема: Расчет переходных процессов в электрических цепях Выполнил: Семёнов В.В. Проверил: Фокин А.Н. Рязань 2012 Вариант №17. Исходные данные: а=0 b=2 c=0 k=1 m=7 Задание №1 Расчет переходных процессов в цепи первого порядка. Исходные данные: 1. независимая переменная 2.Составим ДУ для переходного процесса:.Определим начальные условия, по которым рассчитаем постоянные интегрирования в решении ДУ: 4.Запишем решение ДУ для свободной составляющей: Составим характеристическое уравнение и найдем его корни: Постоянная времени электрической цепи: 5.
Переходные Процессы В Электрических Цепях Реферат
Определим принужденную составляющую: 6.Запишем общее решение ДУ: Найдем постоянную интегрирования А: 7. Рассчитаем напряжение на L: t, мкс 0 0,40,81,21,62,02,42,83,23,64, 0 2,881,751,060,640,390,240,140,090,050,030,02 1,71,821,891,931,961,981,991,991,9922 8. Найдем напряжения на активных элементах: t, мкс 0 0,40,81,21,62,02,42,83,23,64,0 3,43,643,783,873,923,953,973,983,993,994 13,614,5415,1215,4615,6815,815,8815,9315,9615,9715,98 9. Временные диаграммы токов и напряжений.
Задание №2 Расчет переходных процессов в цепи второго порядка. Исходные данные.

2.Составим ДУ: 3.Определим начальные условия 4. Запишем решение ДУ для свободной составляющей: Составим характеристическое уравнение: Постоянная времени затухания: 5. Определим принужденные составляющие.
6.Найдем ток на емкости и определим постоянные интегрирования. Временные диаграммы. Задание №3 Расчет процессов в нелинейной цепи. Исходные данные: - постоянная составляющая входного сигнала - пороговое напряжение нелинейного элемента - амплитуда переменной составляющей входного напряжения - крутизна ВАХ нелинейного элемента - период колебаний 1.Рассчитаем угол отсечки, в радианах и градусах: 2. Найдем амплитуду тока диода: 3.
Переходные Процессы В Линейных Электрических Цепях Курсовая
Запишем выражение для мгновенного значения тока: 4. Вычислим постоянную составляющую тока: 5.Временные диаграммы напряжения и тока:. Вычислим амплитуду 1-ой гармоники тока.





